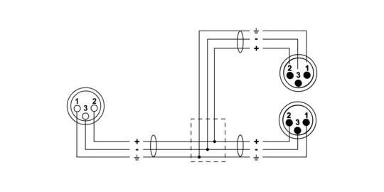
Wer mit einem qualitativ hochwertigen Adapterkabel beispielsweise ohne hörbaren Qualitätsverlust im Studio oder im Bühneneinsatz ein Audiosignal auf 2 Endstufen oder für In-Ear Systeme aufsplitten möchte, findet die Lösung beim CFY FMM Y-Adapter mit 1x XLR female auf 2x XLR male.
Die REAN made by Neutrik® Stecker sind per Hand konfektioniert. Der Leitungsquerschnitt beträgt 2x 0,22mm². An den Enden des Kabels ist der Spliss 15 cm lang.










