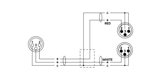
Das EY FMM ist ein Y-Adapter von 1x XLR female auf 2x XLR male zum Aufsplitten von Audio-Signalen. Die Splittung erfolgt links/rechts-codiert. Der aufgespritzte Knickschutz sorgt für lange Haltbarkeit und hohe Steckzyklen.
Der Leiterquerschnitt von 0.14 mm² und eine Wendelschirmung schützen deine Signale vor störenden Außeneinflüssen. Durch den Einzellitzen-Aufbau (18 x 0.10 mm) und die robuste, aber biegsame PVC-Mantelmischung ist es besonders flexibel.


















